- 主页
- 材料学显微镜解决方案
- 枝晶间距解决方案
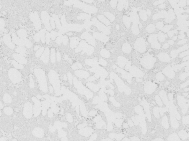
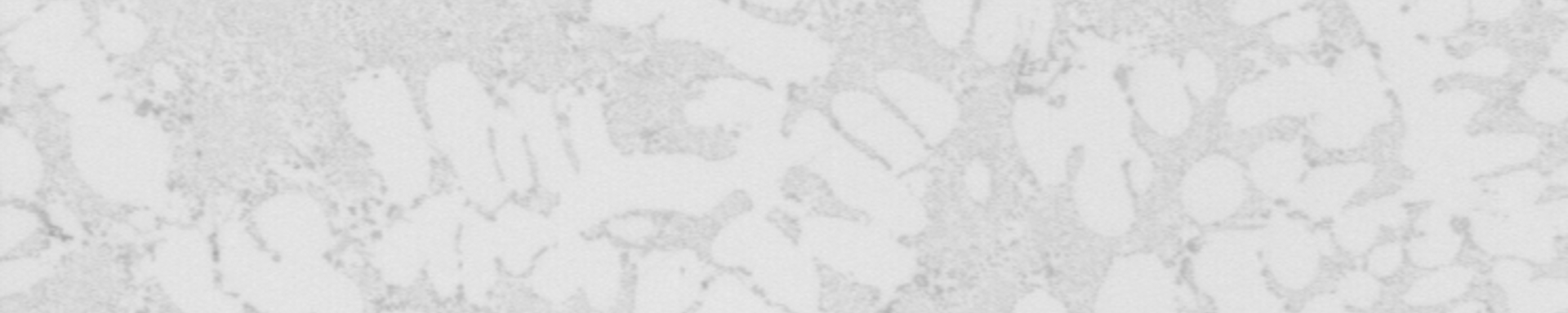
监测凝固时间是提高机械性能(如抗拉强度和伸长率)的关键因素。我们的图像分析软件中的枝晶间距解决方案可自动测量轻质铝铸件中的平均二次枝晶间距,以监控凝固时间。
测量选项:
- 使用手动或自动方法(使用阈值)测量枝晶间距(DAS)
- 计算轻质铸件的凝固时间
- 测量总长度、枝晶数量、平均DAS、其方差和DAS中位数


是否需要协助?
Not available in your country.
Not available in your country.

