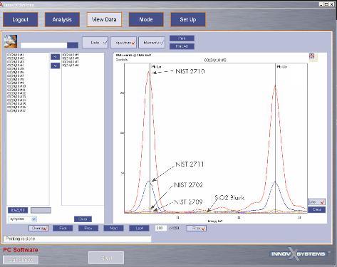
A DELTA handheld XRF analyzer, configured in SmartShot Soil analysis mode, was used to measure Lead (Pb) in four NIST soil matrix standards and a blank. As shown below, analysis spectra can be easily overlaid and compared using the Delta PC Software. Here the user has zoomed in on the Pb La and Lb peaks for direct comparison. |
Analysis results for the NIST standards are shown at right. A 60 second measurement time was used. Results shown in ppm. +/- error shown is 2-sigma, 95% confidence. |
| ||||||||||||||||||||||||
A DELTA handheld XRF analyzer, configured in SmartShot soil analysis mode, was used to run repeat measurements on a reference soil sample, to demonstrate repeatability. As shown below, the DELTA PC Software can be used to overlay spectra from different readings for direct comparison and analysis. |
| ||||||||||||||||||||||
A reference sample spiked with approximately 500ppm Pb (sample 408) was used for these repeat readings. Each reading was analyzed for 60 seconds. +/- error shown is 2-sigma, 95% confidence. |
| |||||||||||||||||||||


